Prekrivna folija za varnostno okovje MP MPK SECURO S01 PLUS - SO (BS - črna mat)
Prekrivna folija za varnostno okovje MP MPK SECURO S01 PLUS - SO (BS - črna mat)
Priporočamo nakup
Opis
V primeru nenamernega zatikanja podboja vrat ni treba poškodovati celotnega okovja, ampak le pokrov cilindra. V takšnih primerih lahko pri nas kupite nadomestni pokrov za SECURO S01 PLUS - SO, ki ga lahko enostavno zamenjate.
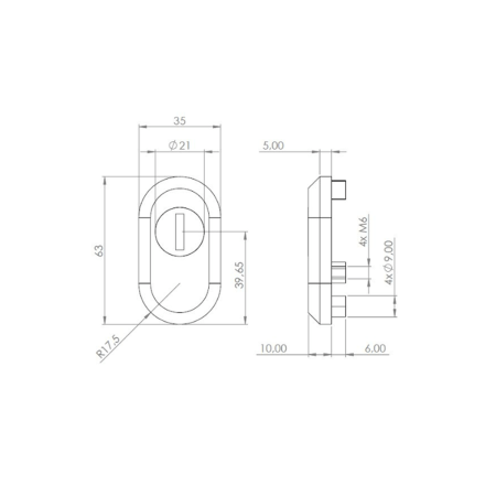
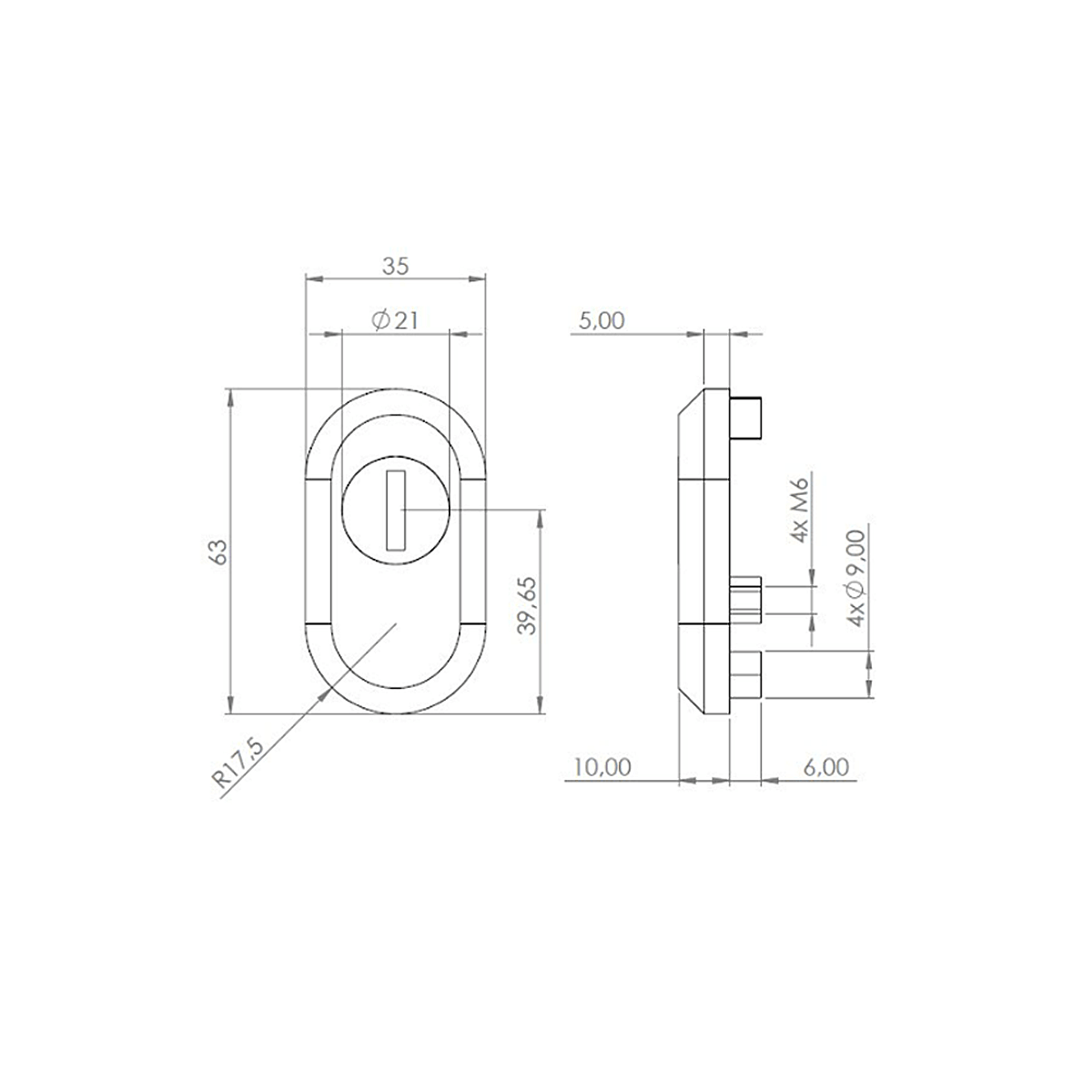
Priključek je izdelan iz masivnega, vroče stiskanega nerjavečega jekla. Obliko pokrova smo zasnovali tako, da je vrtanje bistveno oteženo. Poševni robovi povzročajo drsenje svedra po površini. Pokrov je opremljen tudi s pokrivnim obročem za boben valja, ki je odporen proti vrtanju in trganju. To ni le oblikovalski pokrov, temveč pomemben varnostni element.
Parametri
| Priključki tipa 1 | Překrytka |
|---|---|
| Priključki tipa 2 | Vrata |
| Oblikovanje | Moderno |
| Material | Nerjaveče jeklo |
| Oblika etikete/rozete | Ovalna |
| Mark | MP |
| Površinska obdelava | MP BS (mat črna) |
| Garancija | 2 leti |






















































