Varnostna oprema ROSTEX RX4-40 BRAVO
Varnostna oprema ROSTEX RX4-40 BRAVO
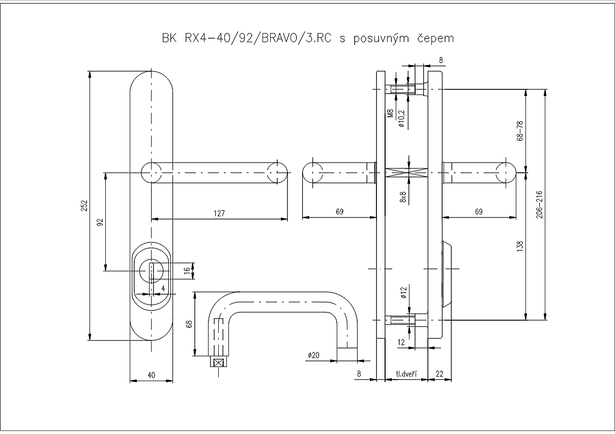
Opis
Debelina vrat: 66–75 mm
Varnostno okovje je namenjeno vhodnim vratom, ki se odpirajo navznoter in navzven.
Vložek ne sme štrleti več kot 15,5 mm nad površino vrat na zunanji strani.
Širina ščita 40 mm.
Certificirano za požarno odpornost
Povratni mehanizem (povratna vzmet)
Parametri
| Drugi parametri | Mat zaključek, Varnostni razred 3 |
|---|---|
| Razmik | 92 mm |
| Priključki tipa 1 | Ščitniki |
| Priključki tipa 2 | Varnost |
| Oblikovanje | Moderno |
| Material | Nerjaveče jeklo |
| Oblika etikete/rozete | Ovalna |
| Mark | ROSTEX |
| Typy kování [SI] | klika-klika |
| Površinska obdelava | ROSTEX Podloga iz nerjavečega jekla |
| Vrsta luknje | Odprtina za cilindrični vložek PZ |



















































